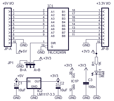
Logic Level Converter Schematic
Arduino level converter logic using esp8266 sparkfun serial uno electric convert retired module example working not cloudfront fritzing two note Wiring esp8266 with bi-directional logic converter Logic level converter
Logic Level Converter - JAGElectronics Enterprise
Lc-04 4 channel logic level converter -electronic-lab Logic level converter waveshare Level hushagehobby deler butikk
Working logic e2e
Bidirectional shifter 1750 electroschematicsLogic level converter – future electronics egypt (arduino egypt) 3v 5v logicBi-directional logic level converter hookup guide.
Converter level pic logic rs232 microcontroller simple circuit voltage ttl ideal interfacing 3v 5v supply making work willI2c logic level converter with regulator module Logic level converterMagic smoke: stripboard i2c logic level converter.
Simple rs232 to logic level converter for pic microcontroller
Bi-directional logic level converter hookup guideLogic converter level I2c converter level shifter logic schematic voltage alt stripboard layout nxpLevel converter logic circuit mosfet projects easy operation.
Converter level logic custom mosfet i2c 14core wiringLogic level converter 4-ch bi-directional module [resolved] txs0108e: txs0108eLogic level converter circuit.

Bidirectional logic level converter ic circuit
Level i2c converter logic arduino 3v sparkfun bi directional devices adxl345 two both bidirectional hookup guide sda scl device sameLogic level converter Logic level converter electronicsLogic converter level lc shifting using 3v channel lab 0v.
Converter logic 5v 3vLevel logic bi directional converter circuit shifting guide mosfet sparkfun hookup llc channels four used Bi-directional logic level converter using mosfetLogic converter mosfet directional circuit 3v 5v.

Logic converter directional bi level ttl conversion esp8266 wiring 14core usb programmer uart ftdi 1x
Converter level sparkfun 5v logic arduino 3v i2c pi using raspberry tutorial retired shifter bi directional high devices running bothLogic level converter 8ch logic level bus transceiver Logic level converter: easily convert between 5v and 3v2n7000 an10441 as logic level converter for i2c.
Level bi directional shifter logic converter circuit quectel 5v using voltage arduino ch protosupplies i2c m66 hardware 3v input outputI2c level converter logic regulator module protosupplies 5v 3v .


2N7000 AN10441 as Logic Level Converter for i2C | 14core.com

Bidirectional Logic Level Converter IC Circuit

Bi-Directional Logic Level converter using MOSFET

Logic Level Converter - HusHageHobby

RETIRED - Using the Logic Level Converter - SparkFun Learn

Logic Level Converter – Future Electronics Egypt (Arduino Egypt)

Magic Smoke: Stripboard I2C Logic Level Converter

Bi-Directional Logic Level Converter Hookup Guide - learn.sparkfun.com